4 模拟通道数
2.5GHz/2GHz/1GHz 模拟带宽
10GSa/s 最高实时采样率
1Gpts 最大存储深度
2,000,000wfms/s 最高波形捕获率
16 数字通道
60MHz 内置信号源
ONETEST 欢迎您
4 模拟通道数
2.5GHz/2GHz/1GHz 模拟带宽
10GSa/s 最高实时采样率
1Gpts 最大存储深度
2,000,000wfms/s 最高波形捕获率
16 数字通道
60MHz 内置信号源



MSO7000X系列高带宽混合信号示波器,拥有非凡的性能指标,全面细致的分析功能,人性化的触控体验,助您在科技的海洋无限探索。
2G带宽是高端示波器的起点,MSO7000X系列带宽高达2.5GHz,在高速信号分析中有明显的优势。
MSO7000X波形捕获率高达2,000,000 wfms/s,结合1Gpts超长存储深度,显著提升异常信号捕获能力,以及波形细节测量和分析能力。搭载Win10 64位操作系统,为用户提供稳定可扩展的系统平台,通过提供示波器API接口,显著提升系统的智能化程度,满足日益复杂的用户需求。
4 模拟通道数
2.5GHz/2GHz/1GHz 模拟带宽
10GSa/s 最高实时采样率
1Gpts 最大存储深度
2,000,000wfms/s 最高波形捕获率
16 数字通道
60MHz 内置信号源
概述
透彻纯净,捕捉真实--信号测量精准无比
MSO7000X系列作为优利德旗舰级示波器,拥有高达2.5GHz模拟带宽和
10GSa/s采样率,上升时间仅为160ps,结合1Gpts存储深度,让您在超长记录的同时拥有更高的信号保真,更真实的波形的整体和细节测量。

多窗口,灵动布局
任意组合、任意大小、悬浮、下沉、全屏分窗口
-支持波形移动、缩放
-支持窗口拖拽改变布局
-支持弹窗钉住,减少多窗口间频繁切换
-支持屏幕扩展,提高多任务处理效率!

波形捕获率高达2,000,000wfms/s
MSO7000X采用优利德独创的UltraAcq®技术,提升实时波形捕获率至
800,000wfms/s以上,搭配全新的Ultra Phosphor® 3.0超级荧光显示技术,瞬变信号一览无余,清晰呈现。

WebServer-兼容多平台远程操控
-SCPI远程控制
-远程查看和控制
-导出波形文件
-在线浏览使用手册
-支持手机访问

Matlab嵌入式编程,运算能力不受限于示波器
利用Matlab强大的数学库,您可以将编译好的Matlab代码直接拷贝至示波器运行,运行结果直接显示在示波器界面,同时MSO7000X也提供了几十种高级公式编辑以及滤波器、增强分辨率模式,1M点增强FFT等强大的数学功能,MSO7000X在数学运算方向不亚于世界上任何一台示波器。

11种串行协议分析
标配:RS-232/422/485/UART、SPI、I2C、CAN、LIN
选配:CAN-FD、SENT、FlexRay、AUDIO(I2S,LJ,RJ,TDM)、
MIL-STD-1553、ARINC429
-支持数据触发和包类型触发
-支持事件列表和搜索功能

多种电源评估方案--电源完整性
MSO7000X提供全方位的分析工具和评估结果,
加快电源设计人员测试效率!
-电源质量
-谐波分析
-开关损耗
-安全工作区
-纹波分析
-环路分析

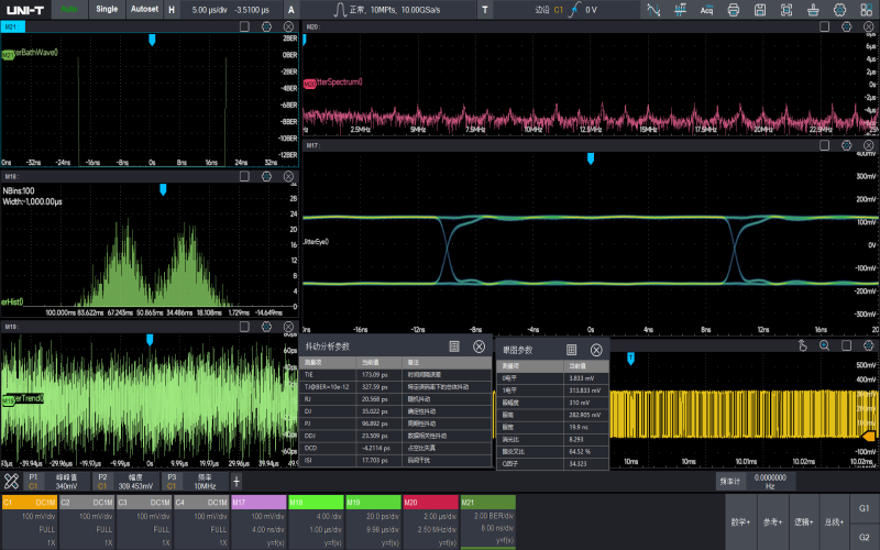
抖动分析和眼图
MSO7000X 提供了带有多种时钟恢复的眼图绘制、测量功能以及视觉化的抖动分析软件,无需多余设置即可快速生成眼图,从时域,频域,统计域定位时钟或数据信号抖动,并进行抖动分解。
抖动分析视图:TIE直方图、TIE频谱图、TIE趋势图,浴盆曲线。

型号
UNI-T官方自营,品质保证
店铺地址:https://unitjj.tmall.com/category-1154981636.htm?spm=a1z10.3-b-s.w5001-15135096119.9.66d2ef0aZwDfPU&
UNI-T官方自营,品质保证
店铺地址:https://mall.jd.com/view_search-695958-7230643-99-1-24-1.html
0条提问
X
提问
X
回答
发表口碑
© 2026 Onetest仪器资源库 All Rights Reserved 粤ICP备17028186号-2
粤公网安备44030902003758