4 模拟通道数
500MHz/350MHz/250MHz 模拟带宽
5GSa/s 最高实时采样率
500Mpts 最大存储深度
2,000,000 wfms/s 最高波形捕获率
16 数字通道
50MHz 内置信号源
ONETEST 欢迎您
4 模拟通道数
500MHz/350MHz/250MHz 模拟带宽
5GSa/s 最高实时采样率
500Mpts 最大存储深度
2,000,000 wfms/s 最高波形捕获率
16 数字通道
50MHz 内置信号源




MSO3000X系列混合信号示波器,采样率最高5GSa/s,每通道存储深度可达500Mpts。采用独有的 Ultra Phospho® 3.0技术,波形捕获率高达2,000,000 wfms/s,具有 256 级辉度等级色温显示,先进的数字触发系统,触发灵敏度高,触发精度达到10ps;支持12种高级触发、12种串行总线触发和解码;支持频谱分析、电源分析、直方图、波形录制、增强分辨率、通过测试、搜索和导航等高级功能和分析模式;具备丰富的测量和数学运算功能。采用了 10.1 英寸电容式触摸屏,支持多种手势实现对波形的常用操作,以及WebServer实现远程操控一款功能全、性能强大的仪器设备。
4 模拟通道数
500MHz/350MHz/250MHz 模拟带宽
5GSa/s 最高实时采样率
500Mpts 最大存储深度
2,000,000 wfms/s 最高波形捕获率
16 数字通道
50MHz 内置信号源
九合一集成示波器
-协议分析仪
-波特图分析仪
-高精度频率计
-数字电压表
-电源分析仪
-函数/任意波形发生器
-频谱分析仪
-逻辑分析仪
-示波器

UItra Phosphor 3.0
先进的软硬件架构
支持8路并行图形映射,处理速率达20Gbps
波形捕获率高达800,000wfms/s, 顺序模式下达到2,000,000wfms/s
最小死区时间<1μs,让偶发信号和罕见异常无所遁形

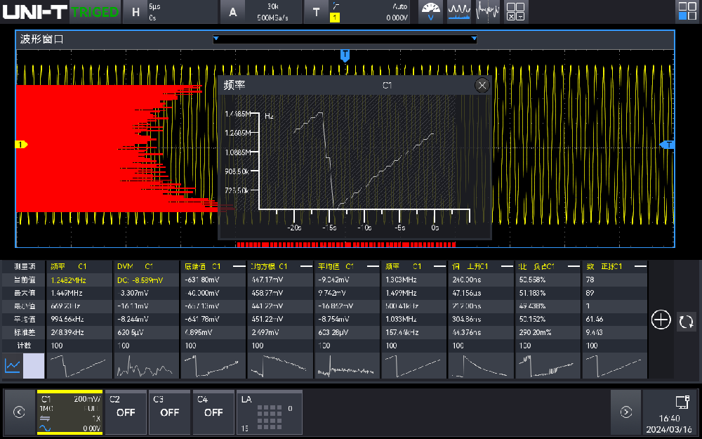
54种:测量、统计、趋势图
54种精密参数自动测量
覆盖电压、频率、相位、功率等多个维度
整合先进的参数统计与趋势图可视化分析功能
全方位、立体化展现信号特性变化
实现专业级深度洞察与高效数据解读

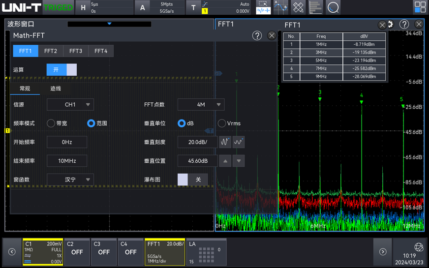
-FFT最大4M点
-瀑布图
-自动标记测量
-4种迹线显示
-4组FFT同时打开
搭载全硬件加速技术,本产品实现最高4M点的极速采样,显著提升了
频率与幅度的测量精度。创新融合峰值搜索与频域标记功能,助力用
户精准无误地捕捉并深入剖析复杂信号动态,快速溯源问题,为用户
带来极致的测试体验。

12种主流协议一站式支持
嵌入式: RS232/URAT、I2C、SPI
汽车:CAN、CAN-FD、LIN、FlexRay、SENT
音频:AUDIO(I2S, LJ, RJ,TDM)
航空航天:MIL-STD-1553、ARINC 429
无线通讯:Manchester
具备精准异常触发捕获及实时解码能力
200M数据解码小于1s,且创新支持四总线同步分析
为复杂通信系统提供疾速、深度的协议解析解决方案

-电源抑制比 -开关损耗
-闭环控制响应分析 -安全工作区
-电能质量评估 -调制分析
-电流谐波检测 -稳定导通电阻
-浪涌电流分析功能 -转换速率
-输出纹波 -启动/关闭时间
-瞬态响应 -功率效率
为电源系统性能鉴定、稳定性评估与优化
提供全方位、专业化解决方案,提升能源效率与系统稳定性

硬件加速模板测试:6σ 标准 < 1s
电子信号的 6σ 标准是一个不超过百万分之3.4故障率(DPMO)的流程,
这表明每1,000,000 个样本中只有3.4 个异常值凭借超高的硬件捕获率,硬件加速模板测试可保持Ultra Phosphor 3.0捕获率完全不下降,
在1s内(而非几小时)完成符合特定标准的波形测试

型号
UNI-T官方自营,品质保证
店铺地址:https://unitjj.tmall.com/category-1154981636.htm?spm=a1z10.3-b-s.w5001-15135096119.9.66d2ef0aZwDfPU&
UNI-T官方自营,品质保证
店铺地址:https://mall.jd.com/view_search-695958-7230643-99-1-24-1.html
0条提问
X
提问
X
回答
发表口碑
© 2026 Onetest仪器资源库 All Rights Reserved 粤ICP备17028186号-2
粤公网安备44030902003758